스마트 디머 컨트롤러 T1 (0-10V)

Aqara 스마트 디머 컨트롤러 T1(0-10V)은 Zigbee 신호를 0-10V 신호로 변환하는 장치로, Aqara 제품이나 일반적으로 구매 가능한 0-10V 드라이버와 함께 사용하여, 스위치 제어, 밝기 조정, 색온도 조절과 같은 기능을 간편하게 사용할 수 있습니다. 허브 연결을 통해서 원격 제어가 가능하며, 시간에 따른 제어, 다른 스마트 기기와의 자동화 설정 등 다양한 방법으로 편리하게 제어 하실 수 있습니다.

  • 본 제품을 사용하기 위해서는 호환 가능한 스마트 허브가 반드시 필요합니다.

  • 본 제품을 사용하기 위해서는 0-10V 신호 입력이 가능한 디밍 드라이버가 반드시 필요합니다.

  • 본 제품은 Zigbee 3.0 허브 기능이 탑재된 기기와 함께 사용하는 것을 권장합니다. 특정 허브 모델의 지원이 필요한 일부 기능이 있습니다. 자세한 내용은 www.aqaralife.kr을 참조해 주세요.

  • 본 제품은 실내 사용 용도로 설계되었습니다. 습한 환경이나 실외에서 사용하지 마세요.

  • 비바람에 노출된 장소, 물이 튀는 곳에 설치하지 마세요. 물 또는 액체류를 엎지를 경우 고장, 감전 및 화재의 위험이 있습니다.

  • 본 제품을 열원 부근에 설치하지 마세요.

주의: 설치 전 반드시 전원을 차단하고 진행하세요.

  • Aqara 스마트 디머 컨트롤러 T1(0-10V)을 포장에서 꺼내 주세요.

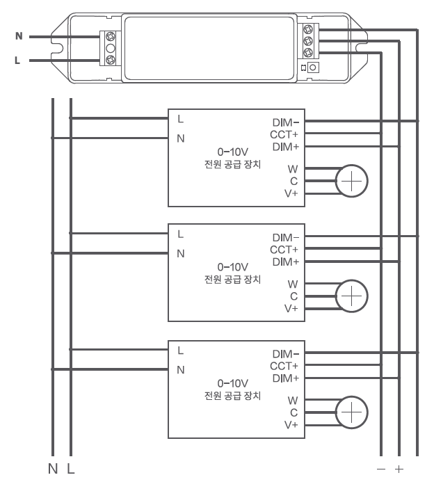
  • 전원 공급 장치의 중성선을 N 단자에, 활선을 L단자에 연결해 주세요. 컨트롤러의 신호 라인 연결 시 밝기 조절에는 CH1을, 색온도 조정레는 CH2를 사용하세요.

  • 배선이 올바른지 확인한 후, 제품 양쪽의 덮개를 나사로 고정해 주세요.

  • 장치를 전원에 연결해 주세요. 지시등이 빨간색으로 천천히 깜빡인다면, 네트워크 설정이 완료 되지 않았음을 나타냅니다. 장치 추가를 위해 다음 단계를 따라 주세요. 지시등에 불이 들어오지 않을 경우 배선을 다시 확인해 주세요.

(1) 제품을 지원하는 허브를 추가해 주세요.

(2) 앱의 우측 상단의 “+” 버튼를 눌러 장치 추가 페이지로 이동한 다음, 앱의 지시 사항에 따라 장치를 추가해 주세요.

  • 장치 추가에 실패하는 경우, 장치를 허브에 더 가깝게 이동시킨 후 다시 시도해 주세요.

유효 범위 테스트: 버튼을 빠르게 3번 눌러 주세요. Aqara 허브에서 음성 안내가 나오는 경우 허브와 장치가 정상적으로 통신하고 있음을 의미합니다.

  • 유효 범위 테스트는 Aqara 스마트 허브에서만 지원하는 기능이며, 음성 안내는 스피커를 탑재한 허브에서만 확인 하실 수 있습니다.